爱陆通迷你型低成本遥测终端机RTU重磅上市!想你做想,敢为人先!典型场景:灌区、明渠、取水口、地下水等
为了更好地采集及传输数据,解决各行业对于数据采集与传输的需求,爱陆通经过深入研发,推出了迷你型低成本遥测终端机RTU——AltRTU600M。这款设备不仅提供了设备无线接入网络的功能,还兼具轻量级边缘计算的能力,支持各省份水文/水资源/HJ212/MQTT等规约和认证,为各行业带来了前所未有的便利与高效。

接口介绍
AltRTU600M配备了1路雨量、1路AI、1路DI、1路可控电源、1路485/2路232、1路网口、Type-C配置口,另外也支持串口摄像头、网口摄像头抓拍。

应用场景
作为一款功能强大、性能稳定的遥测终端机,爱陆通迷你型低成本遥测终端机RTUAltRTU600M广泛应用于水文、水资源、环保、气象等多个行业。无论是在灌区管理、明渠水流监测,还是在取水口和地下水的水位观测中,它都能发挥出其强大的功能,为各行业提供精准、可靠的数据支持。
应用拓扑

应用优势
爱陆通迷你型低成本遥测终端机RTU——AltRTU600M支持选配5G、4G、cat1、NB、redcap等网络,可以根据需求选配北斗短报文/超短波/NB/lora/振弦/esim/蓝牙等。
设备支持各省市水利协议/规约,包含《水文监测数据通信规约》《SLT 180-2015 水文自动测报系统设备遥测终端机》等。
AltRTU600M支持预设条件触发雨量采集,确保精准监测;配置网串口摄像头抓拍,当预警触发时,设备即时加报数据,助力用户快速响应。通过远程召测,用户轻松获取实时数据,实现高效远程管理。
工作温度-35℃~75℃,电源接口内置反相保护和过流、过压保护,宽压设计DC 9~35V、12V,待机电流<1mA /休眠电流约 25uA。
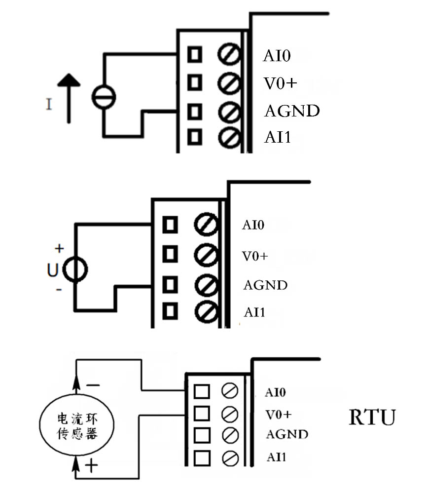
接线说明
AltRTU600M整机物料国产化率可达100%,具备强大的接口支持能力,包括RS232(可选RS485)、以太网、翻斗式雨量计、模拟量输入、数字量输入(干、湿接点)以及可控电源输出等多种接口,满足了不同应用场景下的多样化需求。同时,它还支持内部Flash存储数据,确保数据的完整性和安全性。
以下是部分接线示意图:
RS232接线

RS485接线

DI输入接线
干接点,逻辑0:闭合;逻辑1:断开。
湿接点,逻辑0:湿节点0-3VDC;逻辑1:湿节点5-30VDC。

AI输入接线
电流输入范围为:4~20mA;电压输入范围为:0~5V。
















            


									
									
									
									
                                        
                                        
                                        
                                        
                                        
                                        




